1. 好色APP先生下载,好色先生免费下载,好色先生下载污,好色先生TV成人APP

      歡迎來到網站

      物料提升機

      物料提升機

      適用物料:適用各種物料

      價格區間:1000元-50萬之間

      處理能力:0.5-200 t/h

      產品別名:鬥式提升機

      物料提升機簡介

        好色APP先生下载機械生產的物料提升機不是建築行業電梯式提升機,是專門針對礦山、煤炭、冶煉、建材、耐火材料、輕工、化工等,大中小塊物料連續垂直提升處理,使用方便,造價便宜,是多數廠家必選提升機械。

        好色APP先生下载物料提升機有多種形式,螺旋提升、鬥式提升、帶式提升、鏈板提升,好色APP先生下载的工程師可根據客戶需求,設計出適合您使用的提升機,歡迎你來電谘詢。

        好色APP先生下载物料提升機安全規程

        1、提升機由指定人員進行維護和管理,電源開關箱的鑰匙由指定人員管理。

        2、提升機必須有卷揚限製器和行程限位器,限製器應使滑輪在提升到距離卷筒或滑輪300mm以前時能自動停止。動作靈敏可靠,並進行試吊。

        3、提升機應有大負荷標誌,在提升、降落時重量不許超負荷(1T)。

        4、送電後,檢查卷揚限製器、行程限位器、聯鎖開關等安全裝置

        5、起吊、降落前,鳴鈴示警後,方可開車。

        6、提升機決對不允許載人上、下。

        7、工作完後,提升機吊盤應落地,然後切斷電源,關好上下護欄門。

        8經常保持提升機周圍環境衛生。

        好色APP先生下载物料提升機注意事項

        1、應空負荷開車。所以每次停機前應排盡所有料鬥內的物料,然後再停車。

        2、不能倒轉。倒轉即可能發生鏈條脫軌現象,排除脫軌故障很麻煩。

        3、均勻喂料。禁止突然增大喂料量。喂料量不能超過提升機的輸送能力。否則容易造成底部的物料堆積嚴重時發生“悶車”事故。

        4、及時適量補充潤滑油。

        5、鏈條和料鬥嚴重磨損或損壞時應及時更換。

      物料提升機型號參數

      鬥式提升機型號參數:NE\TD\GTD\HL\TB等型號

      型號 最大給料粒度mm 料鬥 提升高度m  最大提升能力   (立方米/h) 電動機功率  提升機重量
      鬥距mm 寬度MM 容量L
      TB250 90 200 250 3 5-40 25 按具體的垂直鬥式提升機訂貨總圖核計確定
      TB315 100 200 315 6 46
      TB400 110 250 400 12 75
      TB500 130 320 500 25 95
      TB630 150 400 630 50 148

      注:表中最大輸送能力是按填充係數ψ-0.8計算得出的,僅供參考。








      螺旋提升機型號參數:GX\ls等型號

      規  格 主要技術性能 驅動裝置 驅動裝置 重量
      (kg)
      直徑 長度
      (m)
      產量
      (水泥)
      t/h
      轉速
      min-1
      減速機 電動機
      型號 速比 型號 功率
      (kw)
      GX200 -10 9 60 JZQ250 23.34 Y90S-4 1.1 726
      GX200 -20 9 60 JZQ250 23.34 Y90L-4 1.5 1258
      GX250 -10 15.6 60 JZQ250 23.34 Y100L2-4 2.2 960
      GX250 -20 15.6 60 JZQ250 23.34 Y100L1-4 3 1750
      GX300 -10 21.2 60 JZQ350 23.34 Y100L2-4 3 1373
      GX300 -20 21.2 60 JZQ350 23.34 Y112M-4 4 2346
      GX400 -10 51 60 JZQ400 23.34 Y132S-4 5.5 1911
      GX400 -20 51 60 JZQ500 23.34 Y160M-4 11 2049
      GX500 -10 87.5 60 JZQ400 23.34 Y132M-4 7.5 2381
      GX500 -20 87.5 60 JZQ650 23.34 Y180M-4 18.5 5389
      GX600 -10 134.2 45 JZQ750 23.34 Y180L-4 22 3880
      GX600 -10 134.2 45 JZQ850 23.34 Y250M-4 55 7090












      垂直振動式提升機型號參數:

      型號 輸送量
      (t/h)
      輸送槽直徑
      (mm)
      輸送寬度
      (mm)
      輸送高度
      (m)
      振次
      (min)
      雙振幅
      (mm)
      電動功率
      (kw)
      重量
      (kg)
      DZC300 ~1.0 300 77 ≤2.0 960 6~7 2×0.4 680
      DZC500 ~2.0 500 140 ≤3.0 6~8 2×0.75 1010
      DZC550 ~3.0 550 152 ≤3.5 6~8 2×1.5 1190
      DZC600 ~3.0 600 163 ≤4.0 6~7 2×1.5 13210
      DZC800 ~4.0 800 224 ≤4.5 6~8 2×2.2 1590
      DZC850 ~4.0 850 224 ≤5.0 6~9 2×2.2 1750
      DZC900 ~3.5 900 185 ≤6.0 6~9 2×3.0 2100

      物料提升機工作原理

      鬥式物料提升機工作原理

      鬥式物料提升機工作原理

      螺旋物料提升機工作原理

      螺旋物料提升機工作原理

      振動式物料提升機工作原理

      振動式物料提升機工作原理

      物料提升機結構圖紙

      帶式物料提升機結構圖紙

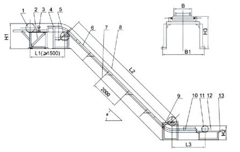
      Z型物料提升機結構圖

      Z型物料提升機結構圖

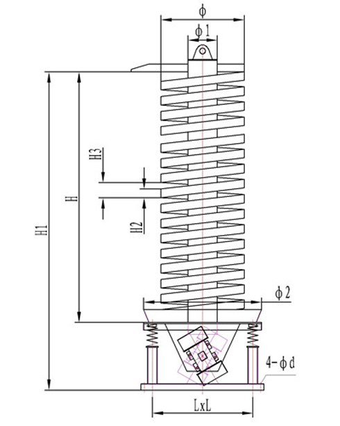
      垂直式物料提升機結構圖

      垂直式物料提升機結構圖

      鬥式物料提升機結構圖

      鬥式物料提升機結構圖

      螺旋式物料提升機結構圖

      螺旋式物料提升機結構圖

      物料提升機圖片大全

      物料提升機

      上一個: 鏈條式提升機 下一個: 挖鬥提升機
      產品分類
      輕型精細篩分機
      重型礦用振動篩
      輸送機械
      提升機械
      給料機械
      振動電機
      配件及其他設備
      產品推薦
      平麵回轉篩
      刮板輸送機
      Z型提升機
      YK係列圓振動篩
      好色先生下载污
      往複式給煤機
      聯係好色APP先生下载
      Tel/Fax:0373-2495788
      聯係人:苗經理 13782587121
      張濤 13569837649
      郵箱:13782587121@126.com
      地址:新鄉市七裏營鎮南魏莊工業園3號
      微信更方便
      微信更方便
      網站地圖